
納金機械
主導的產品
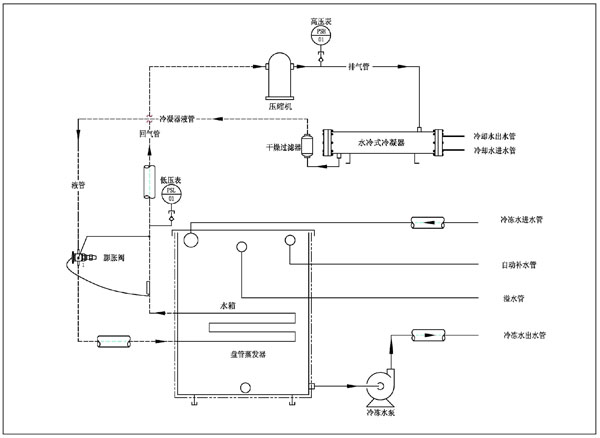
納金機械二十多年從事冷水機研發生產。冷水機生產技術成熟、產品質量可靠、售后服務完善。
主要設備分為:水冷式冷水機、風冷式冷水機、螺桿式冷水機、超低溫制冷設備等。廣泛應用于電子、電鍍、激光、食品、醫療等行業。
納金機械二十多年從事塑膠料回收設備研發生產。生產技術成熟、產品質量可靠、售后服務完善。
主要設備分為:爪刀破碎機、片刀破碎機、靜音破碎機(另有破碎機回收裝置)等。廣泛應用于塑膠、電子、紡織、化工、包裝等行業。
納金機械二十多年從事模溫機設備研發生產。模溫機生產技術成熟、產品質量可靠、售后服務完善。
主要設備分為:運水式模溫機、運油式模溫機、負壓式模溫機等。廣泛應用于電子、塑料、電鍍、激光、紡織、化工等行業。
納金機械二十多年從事混色設備研發生產;焐珯C生產技術成熟、產品質量可靠、售后服務完善。
主要設備分為:立式混色機、臥式混色機、干燥混色機、滾筒式混色機、大型螺桿式混色機等。廣泛應用于塑膠、電子、電鍍、激光、食品、醫療等行業。
納金機械二十多年從事冷卻塔研發生產。冷卻塔生產技術成熟、產品質量可靠、售后服務完善。
主要設備分為:圓形冷卻塔、方形冷卻塔、玻璃鋼冷卻塔、高溫冷卻塔制冷設備等。廣泛應用于電子、電鍍、激光、食品、醫療等行業。
納金機械二十多年從事料斗干燥機研發生產。模溫機生產技術成熟、產品質量可靠、售后服務完善。
主要設備分為:料斗干燥機、箱式干燥機、納金料斗干燥機等。廣泛應用于電子、電鍍、激光、食品、醫療等行業。